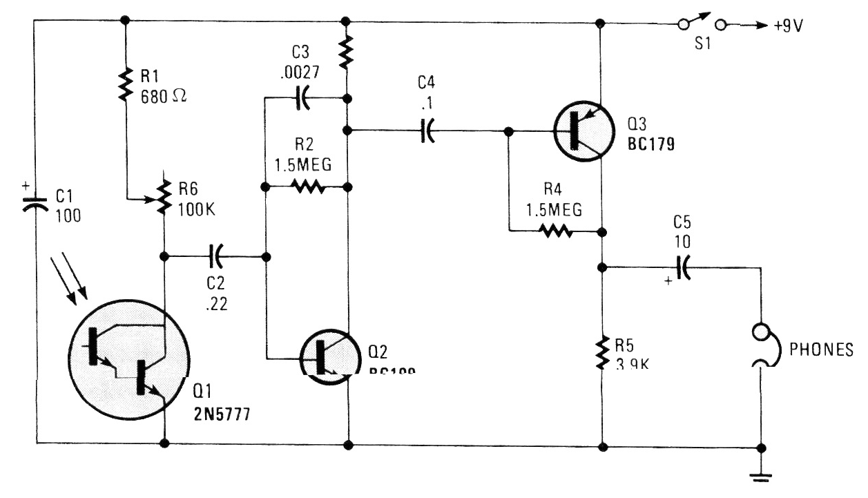
Este circuito es de una Popular Electronics de junio de 1992. La revista ya no existe, pero el circuito puede ser implementado con transistores BC548 y BC558. El foto-receptor puede ser cualquier Darlington y el auricular debe ser de cristal o piezoeléctrico. El transmisor para este receptor es el CIR1904. El circuito es alimentado por una batería de 9 V y su consumo es muy bajo. Los recursos ópticos deben ser utilizados para obtener mayor alcance.




