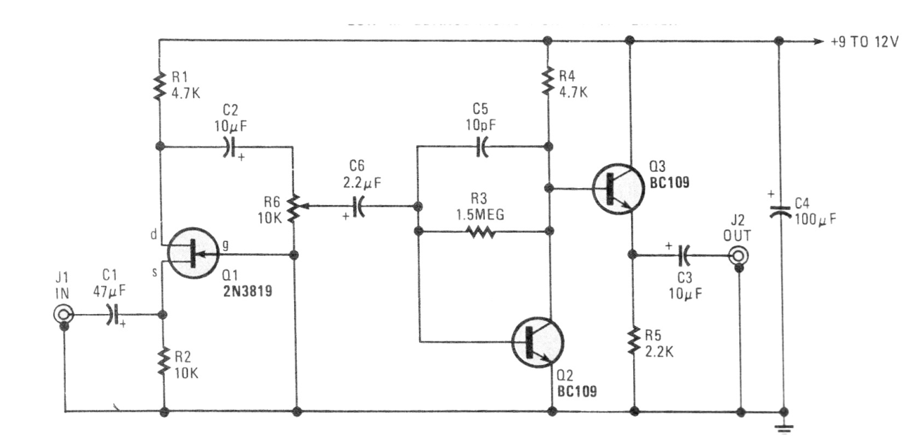
Este circuito es de una Popular Electronics de abril de 1991. La revista ya no existe, pero el circuito puede ser implementado con transistores BC548 para Q2 y Q3 y BF245 para Q1. La alimentación se puede hacer con tensiones de 9 V a 12 V y el consumo es muy bajo.




