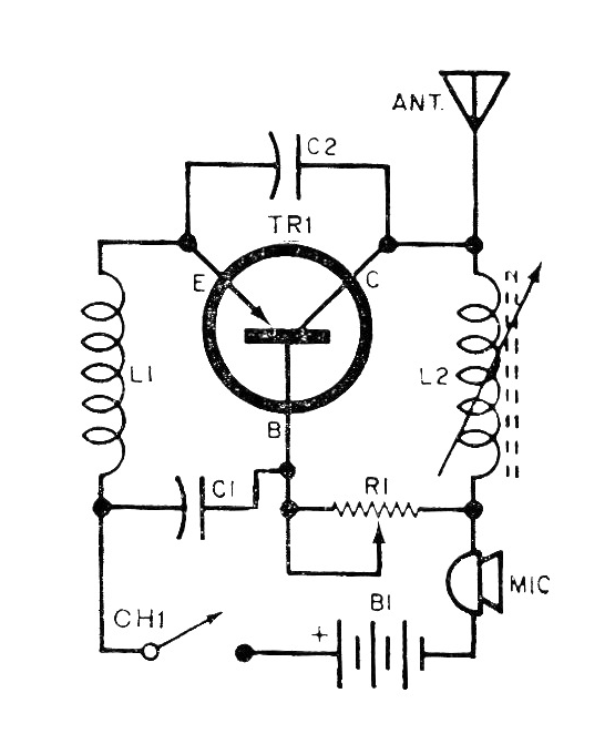
He encontrado este circuito en una publicación de 1964. El circuito todavía se puede montar fácilmente con un transistor BC558 en lugar del original. El alcance 'de unos metros con una antena telescópica de 40 a 100 cm. La bobina L2 consiste en 80 espiras de hilo 28 en un tubo de cartón que se desliza sobre un bastón de ferrita para el ajuste de frecuencia. L1 es un choque de 2,5 mH. El micrófono debe ser de baja impedancia, por ejemplo, un pequeño altavoz. La alimentación se realiza por una tensión de 6 a 9 V. La frecuencia de funcionamiento va de 550 a 1600 kHz; R1 es de 100k (será conveniente conectar un resistor de 4k7 en serie) y C1 es de 10 nF. C2 es de 470 pF.




