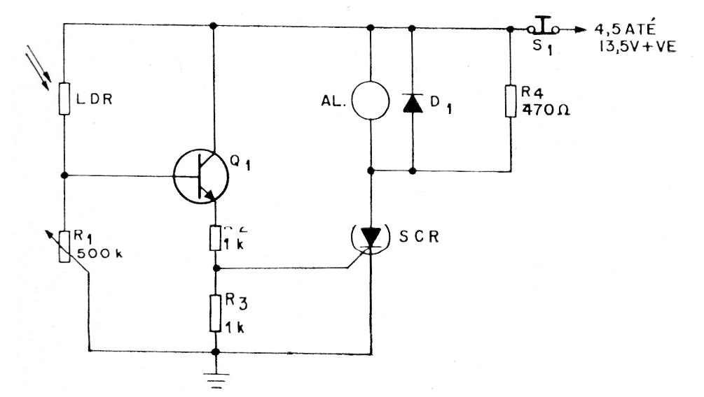
Este circuito se obtuvo en una publicación nacional de 1973, traducida de una publicación inglesa de la época. El SCR puede el TIC106. El circuito se dispara cuando la luz incide en el sensor, que es un LDR común. El transistor es el BC548 y el potenciómetro hace el ajuste de sensibilidad. La carga depende de la tensión de alimentación.




