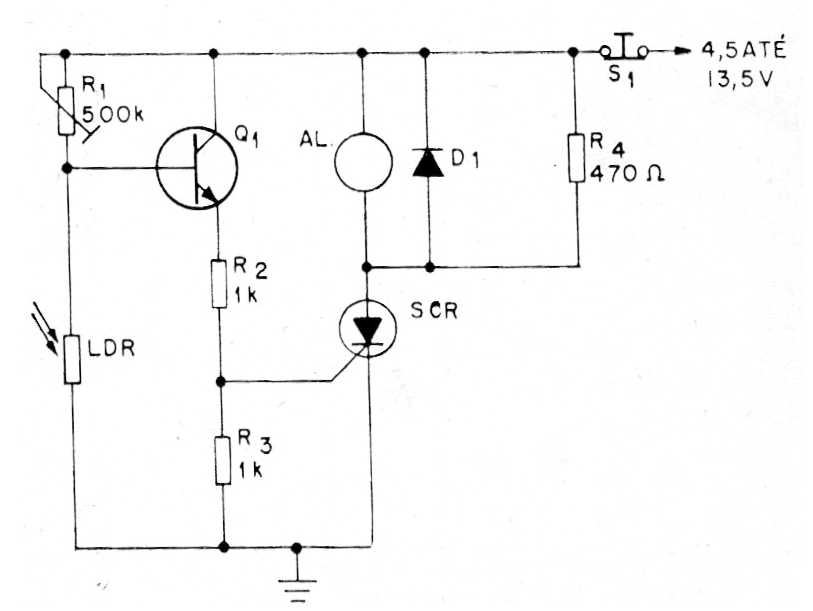
Este circuito se obtuvo en una publicación nacional de 1973, traducida de una publicación inglesa de la época. El SCR puede el TIC106. El circuito se dispara cuando la luz que incide en el sensor, que es un LDR común, se corta. El transistor puede ser el BC548 y el diodo es de uso general como el 1N4148. La carga depende de la tensión de alimentación.




