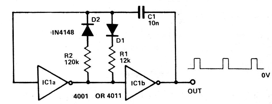
Si bien es una configuración común todavía hoy, este circuito se ha retirado de una publicación antigua. El circuito muestra cómo debemos conectar las puertas de un 4001 o 4011 como inversores, para obtener un astable con ciclo activo que puede ser determinado por los resistores en serie con los diodos. Vea en la sección de matemáticas cómo calcular la frecuencia de este circuito. Para los valores indicados la frecuencia es 1 kHz.




