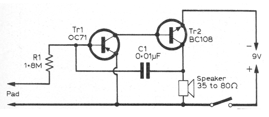
Este circuito fue encontrado en una revista inglesa de 1975, pero puede ser montado con transistores BC548 (NPN) y BC558 (PNP). El circuito emite sonido cuando el sensor está mojado. El sensor consta de dos pantallas de alambre con un tejido entre ellas. La frecuencia depende del capacitor, que puede cambiar. El circuito funciona con tensiones de 3 a 9 V. Se pueden utilizar los altavoces a partir de 8 ohms.




