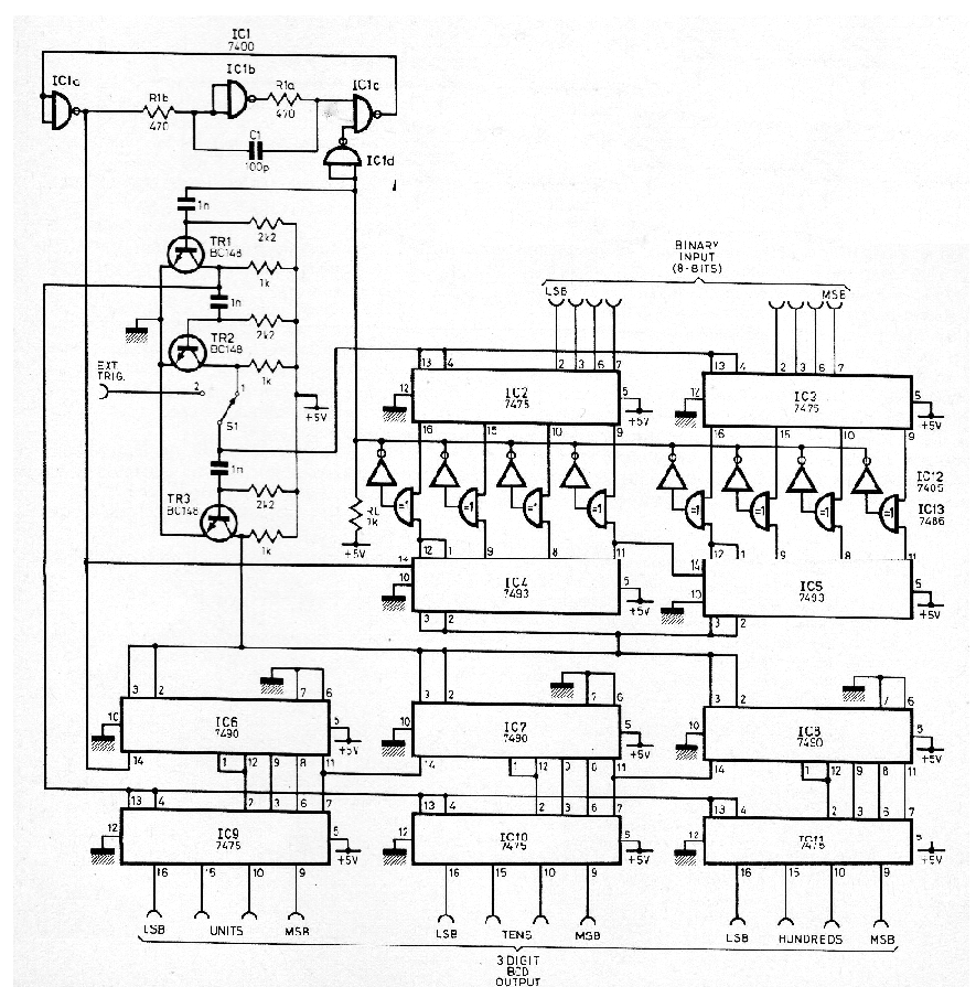
El circuito presentado fue retirado de una antigua publicación inglesa de 1981, pero puede ser montado con facilidad, pues utiliza circuitos integrados comunes. Los transistores admite equivalentes como los BC548. La alimentación debe ser hecha con 5 V, pues la tecnología es TTL. Se trata de un excelente diseño para un curso de electrónica digital, por la tecnología que utiliza.




