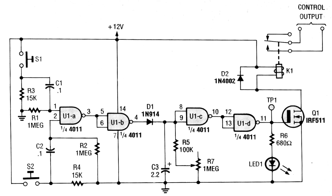
Este circuito se obtuvo en un popular Electronics de 1993. Se trata de un circuito de protección de fuentes que desactiva una carga cuando se presiona un interruptor de presión y la activa sólo cuando se utiliza el reset. La alimentación debe realizarse con el tono de acuerdo con el relé y Q1 puede ser cualquier MOSFET de potencia.




