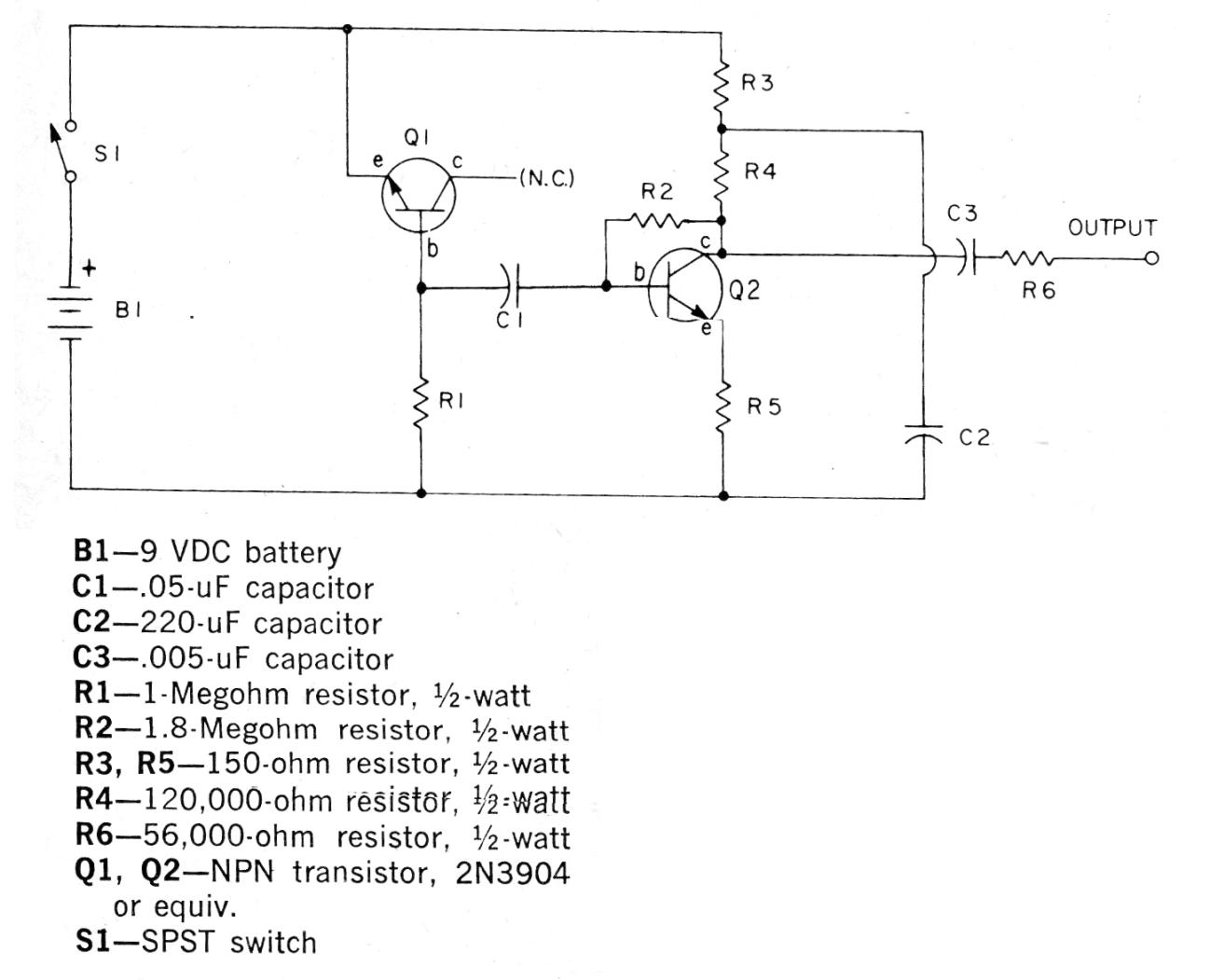
Este circuito se obtuvo en la publicación 101 Electronics Projects de 1979. El circuito se puede montar fácilmente, ya que todos los componentes son comunes. Q1 y Q2 pueden ser BC548 o cualquier otro transistor de uso general. La señal se debe aplicar a un amplificador. La alimentación se puede realizar con tensiones de 9 a 15 V.




