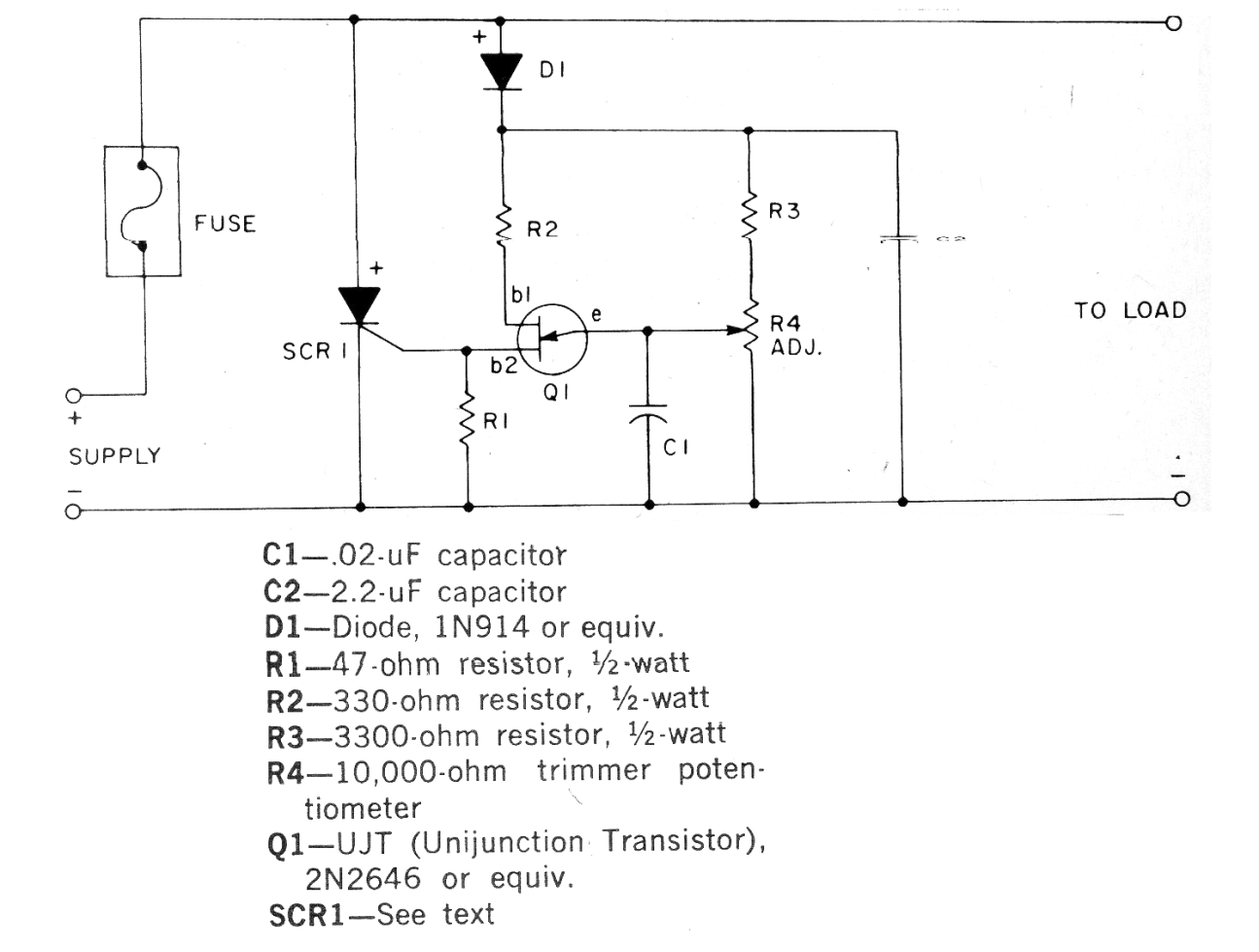
Este circuito se obtuvo en la publicación 101 Electronics Projects de 1979. El circuito se puede montar fácilmente, ya que todos los componentes son comunes. El transistor puede ser el 2N2646 y el SCR el TIC106. Los demás componentes son comunes y el circuito puede ser usado con fuentes hasta unos 40 V.




