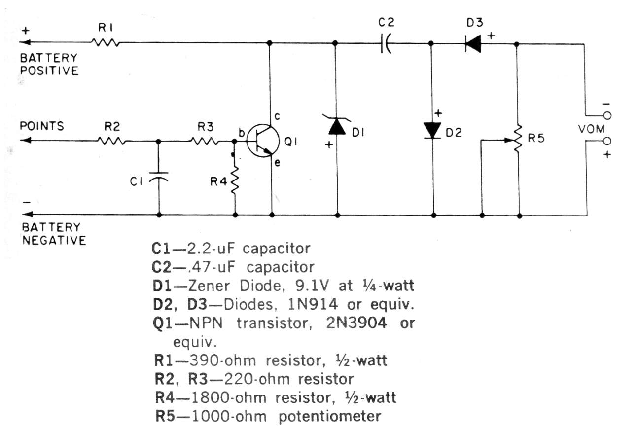
Este circuito se obtuvo en la publicación 101 Electronics Projects de 1979. El circuito se puede montar fácilmente, ya que todos los componentes son comunes. El transistor puede ser el BC548. Con este circuito es posible utilizar un multímetro analógico común para medir rotaciones de un motor o aún la tasa de pulsos de un sistema intermitente. El circuito también se puede utilizar en el coche, como se sugiere, alimentándolo con la propia batería de 12 V.




