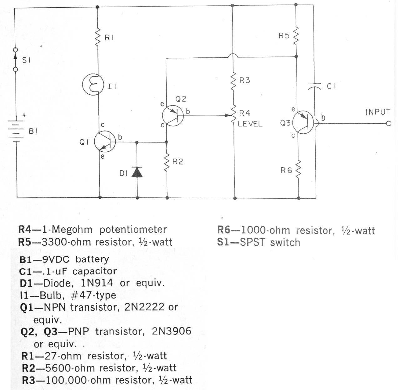
Este circuito se obtuvo en la publicación 101 Electronics Projects de 1979. El circuito se puede montar fácilmente, ya que todos los componentes son comunes. Se sirve para detectar cuando una señal alcanza un cierto valor de pico, accionando una lámpara indicadora. Los transistores pueden ser los BC548 para el NPN y BC558 para los PNP.




