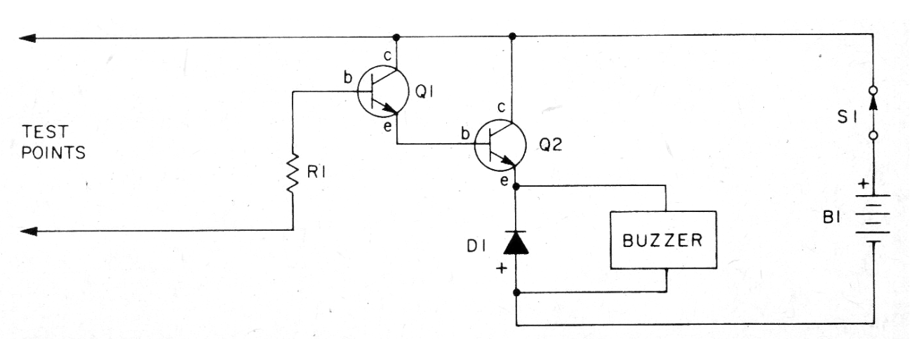
Este circuito se obtuvo en la publicación 101 Electronics Projects de 1979. El circuito se puede montar fácilmente, ya que todos los componentes son comunes. Los transistores también pueden ser los BC548 y el circuito acciona un bocadillo de 6 a 12 V, según la alimentación utilizada. R1 es de 100k y el diodo puede ser el 1N4148 o equivalente.




