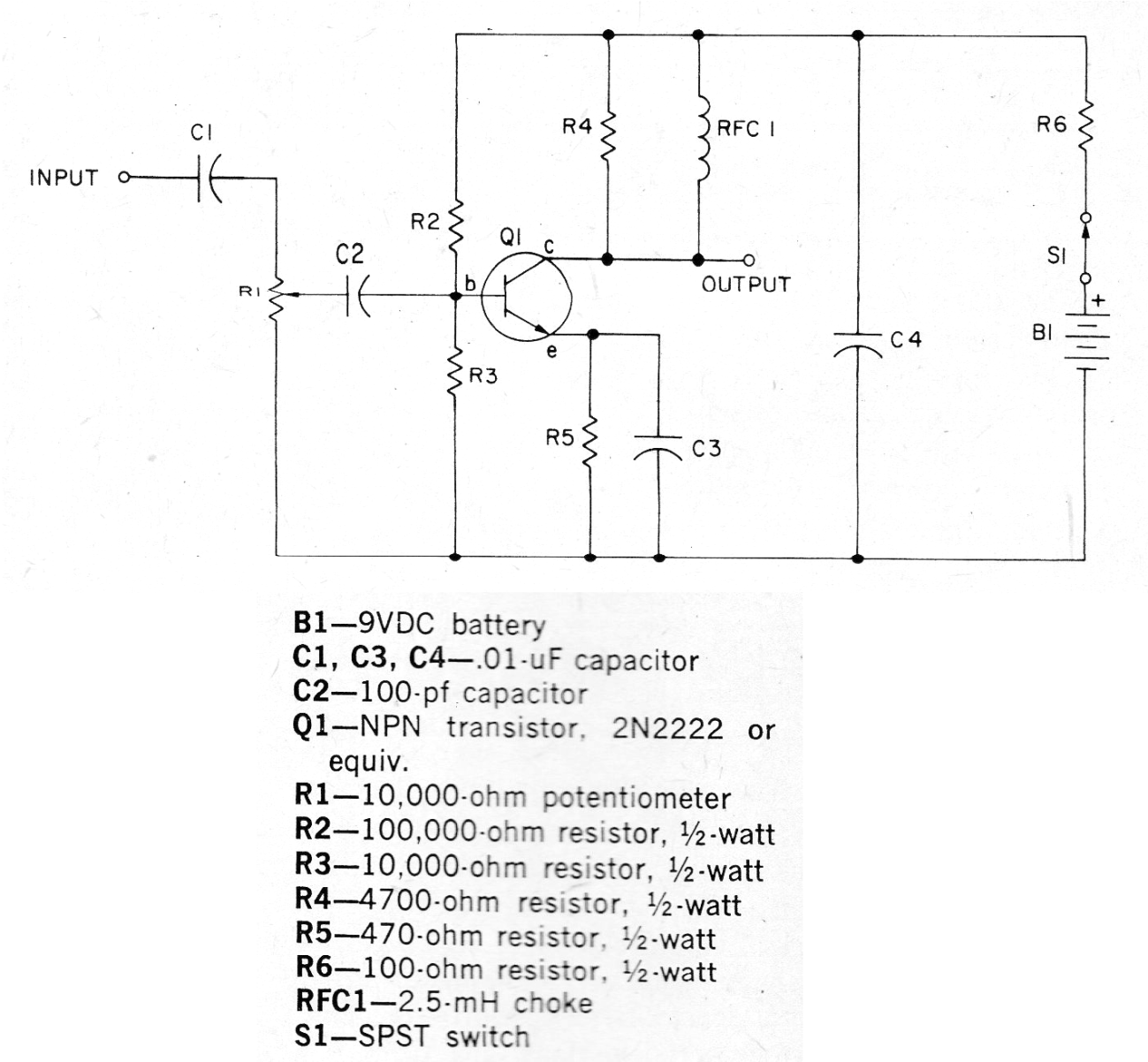
Este circuito se obtuvo en la publicación 101 Electronics Projects de 1979. El circuito se puede montar fácilmente, ya que todos los componentes son comunes. Lo que este circuito hace es amplificar señales hasta algunas decenas de megahercios, sirviendo como booster para receptores de ondas medias y cortas. El transistor también puede ser el BF494. La alimentación se puede hacer con tensiones de 6 a 12 V y como el consumo es bajo, se puede utilizar la batería.




