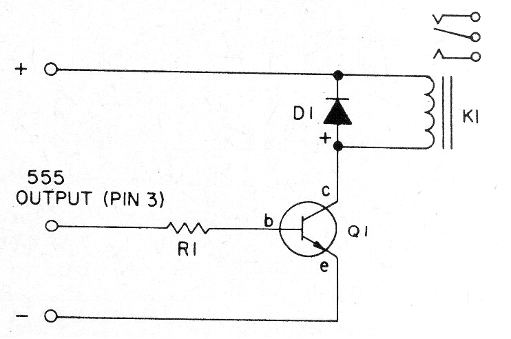
Este circuito se obtuvo en la publicación 101 Electronics Projects de 1979. El circuito se puede montar fácilmente, ya que todos los componentes son comunes. Lo que este circuito hace es accionar un relé de 6 o 12 V a partir de la salida de un 555. R1 es de 1 k ohms y el transistor puede ser el BC548 o incluso BD135. El diodo es el 1N4148 o cualquier otro de uso general.




