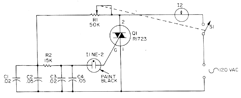
Este circuito se obtuvo en la publicación 101 Electronics Projects de 1979. El circuito se puede montar fácilmente, ya que todos los componentes son comunes. Este circuito tradicional controla una lámpara incandescente cuya potencia depende del Triac. Los triacs de la serie TIC se pueden utilizar. En el texto se recomienda que la lámpara de neón sea pintada de negro para que la luz externa no afecte su punto de disparo.




