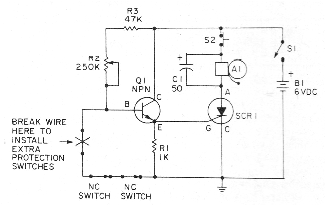
Este circuito se obtuvo en la publicación 101 Electronics Projects de 1979. El circuito se puede montar fácilmente, ya que todos los componentes son comunes. Este circuito utiliza un transistor de uso general como el BC548 y un SCR como el TIC106. La alimentación depende de la carga que puede ser una sirena de corriente continua. El ajuste de la sensibilidad se realiza en el trimpot.




