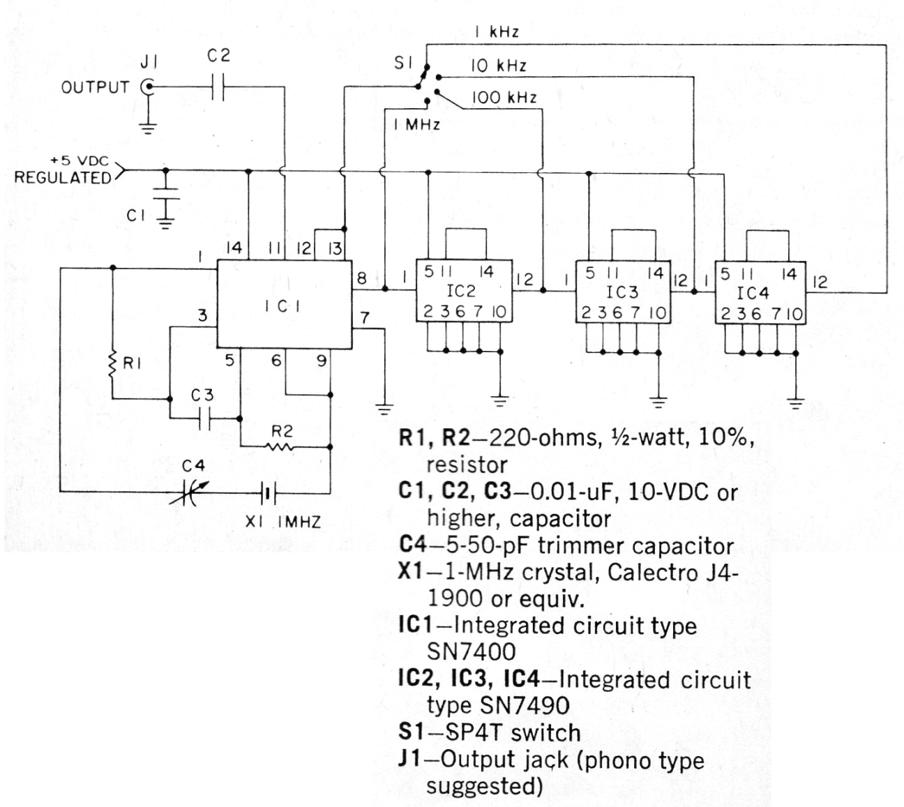
Este circuito se obtuvo en la publicación 101 Electronics Projects de 1979. El circuito se puede montar fácilmente, ya que todos los componentes son comunes. Este circuito genera frecuencias exactas para la calibración de receptores, frecuencímetros, osciloscopios y otras aplicaciones. La frecuencia básica es dada por el cristal y la alimentación es de 5 V, pues se utilizan circuitos integrados TTL. La señal generada es rectangular.




