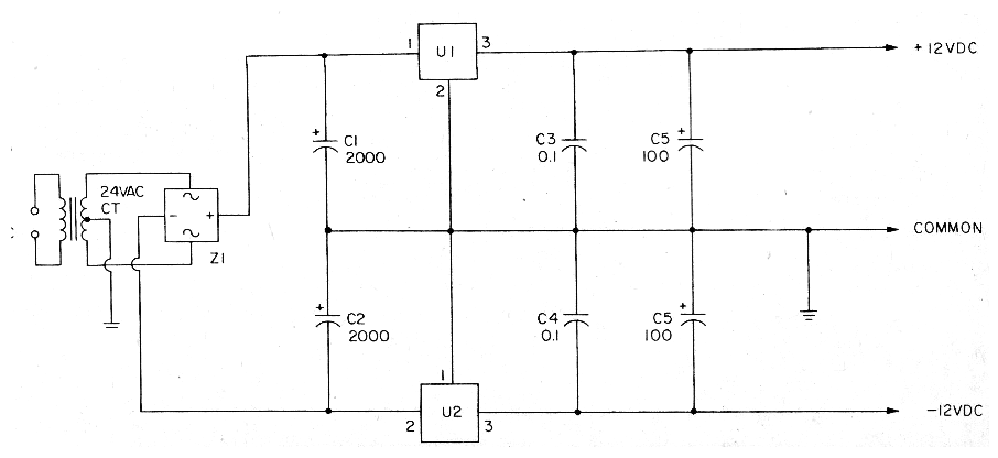
Este circuito se obtuvo en la publicación 101 Electronics Projects de 1979. El circuito se puede montar fácilmente, ya que todos los componentes son comunes. La fuente presentada proporciona tensiones simétricas de 12 V (12 + 12 V) con una corriente máxima de 1 A usando el 7812 y 712. Tenga en cuenta que la disposición de los terminales de los dos CIS es diferente. El transformador es de 12 + 12 V con 1 A de corriente.




