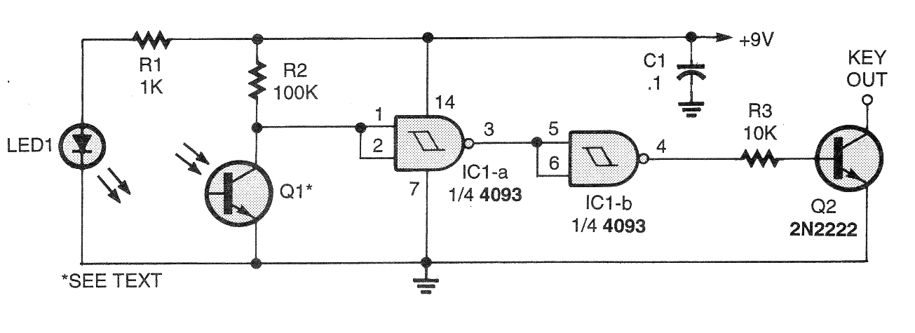
Este circuito fue retirado de un Poptronics de marzo de 2000. La revista ya no se publica, pero el circuito es actual, ya que utiliza componentes comunes. El sensor consiste en un LED y un foto-transistor, siendo accionado cuando la luz es cortada. La fuente no es simétrica, pero no se debe utilizar una fuente sin transformador.




