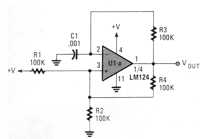
Este circuito fue encontrado en una Popular Electronics de septiembre de 1992 La revista ya no existe, pero el circuito puede ser todavía montado, pues los componentes son comunes. Se trata de la versión tradicional de amplificador operacional como oscilador. La fuente no necesita ser simétrica y cómo calcular la frecuencia se puede encontrar en la sección de matemáticas para la electrónica de este sitio.




