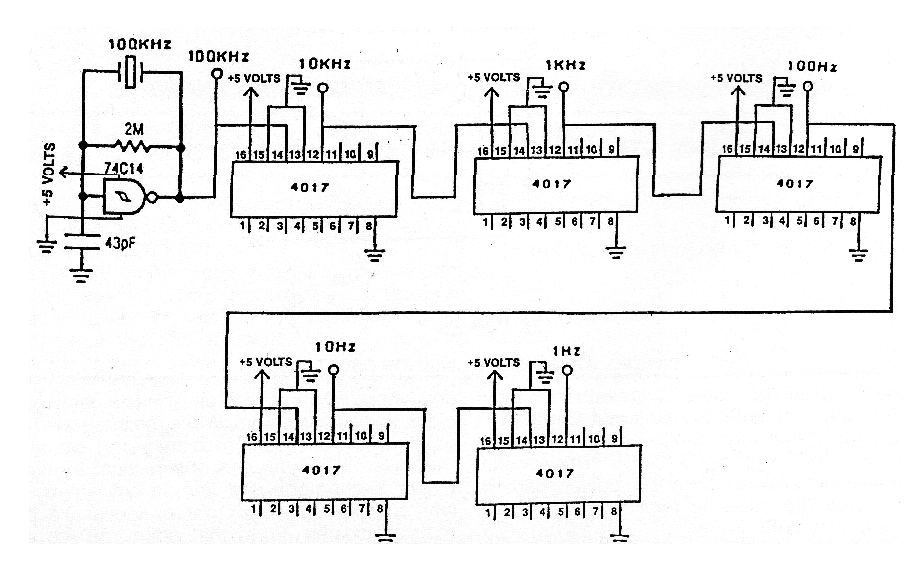
Este circuito fue obtenido en un Electronics Handbook de 1991. La publicación ya no existe, pero este circuito todavía es útil pudiendo generar frecuencias fijas de 1 Hz a 10 kHz. La alimentación debe ser hecha con tensiones de 5 pues a pesar de la tecnología CMOS en la división de frecuencia, el oscilador es TTL (74C14).




