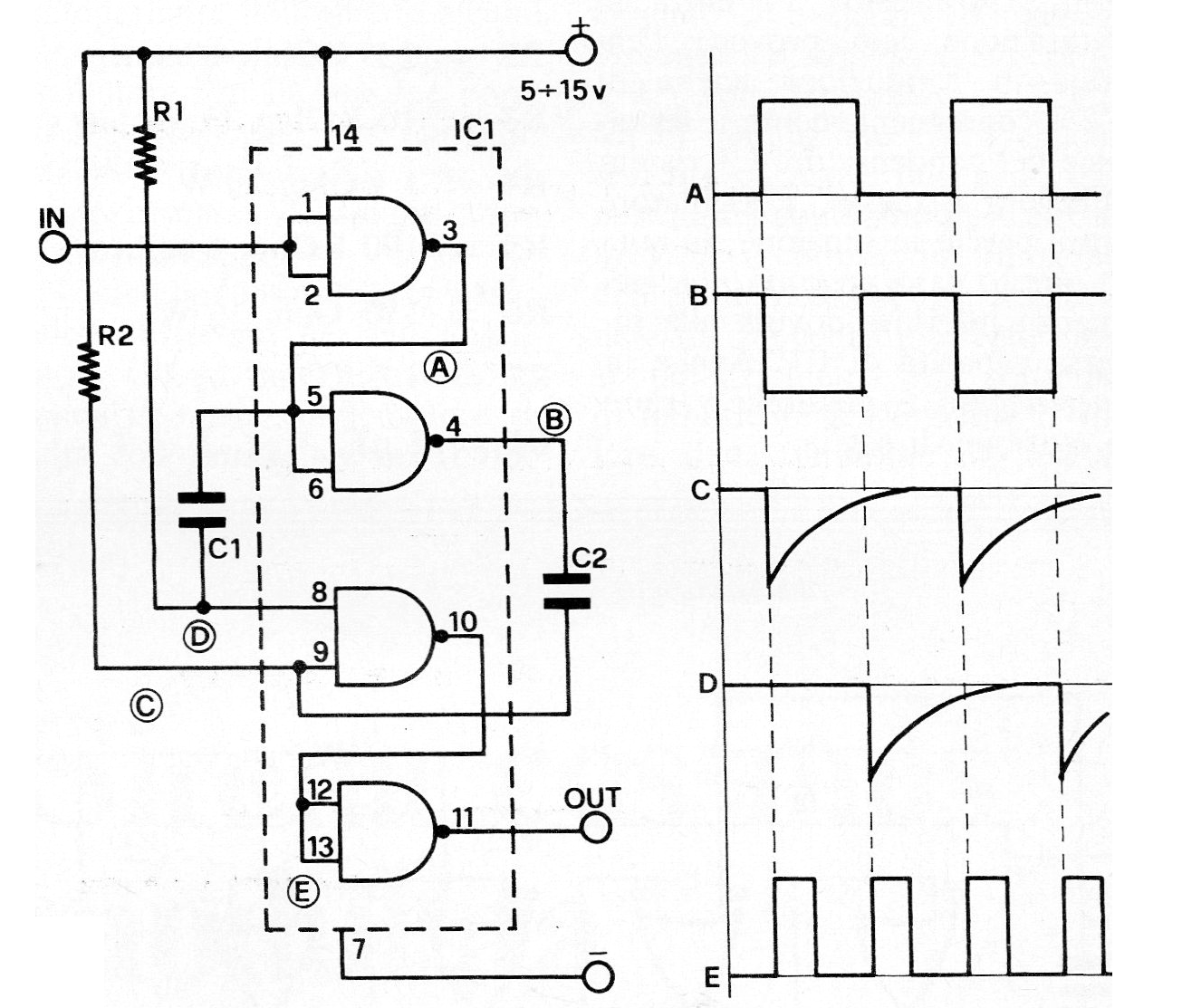
Este circuito fue encontrado en la revista italiana Radio Elettronica de septiembre de 1977. Se trata de una plegadora de frecuencia digital para señales hasta algunos megahertz. La señal debe ser rectangular, y la alimentación hecha con tensiones de 5 a 15 V.

Doblador de frecuencia CMOS




