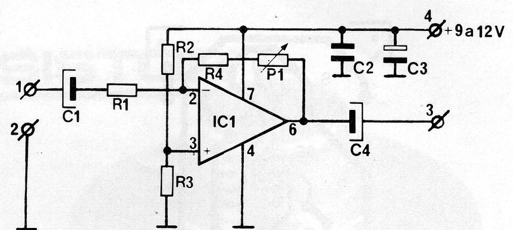
Este circuito es de una revista española Resistor de 1981. La revista ya no existe, pero el circuito es útil aún hoy, posibilitando el uso de un pequeño altavoz como micrófono. Se trata de un preamplificador de buena ganancia con el circuito integrado 741. La alimentación puede ser hecha con fuente o batería de 9 a 12 V.




