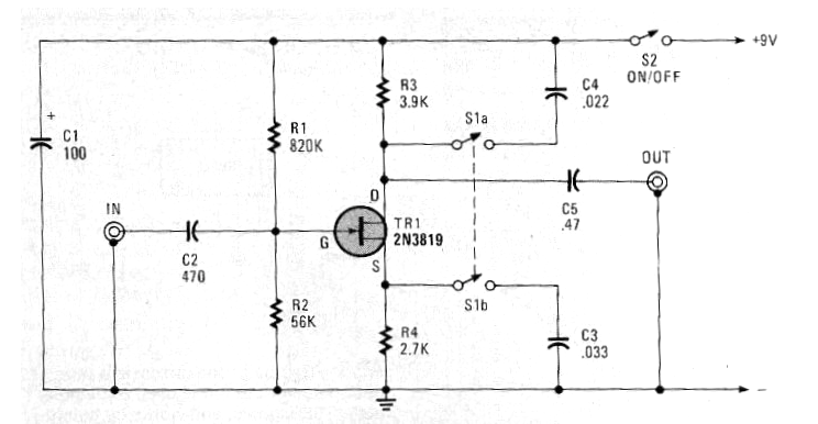
Este circuito fue encontrado en una edición de 1987 de la revista Hands On Electronics de Estados Unidos. La revista ya no existe, pero el circuito se puede montar fácilmente. Este circuito refuerza los agudos de una guitarra antes de aplicarlos a la entrada de un amplificador. El FET puede ser el BF245.




