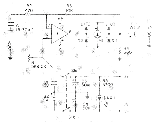
Este circuito es de la revista americana que ya no existe Science & Electronics, edición de marzo-abril de 1981. El circuito indica cuando el nivel de señal de dos canales de sonido se iguala, siendo útil en equipos de sonido estéreo. Los diodos son 1N4148 y el amplificador operacional es el 741. La fuente de alimentación simétrica también se da.




