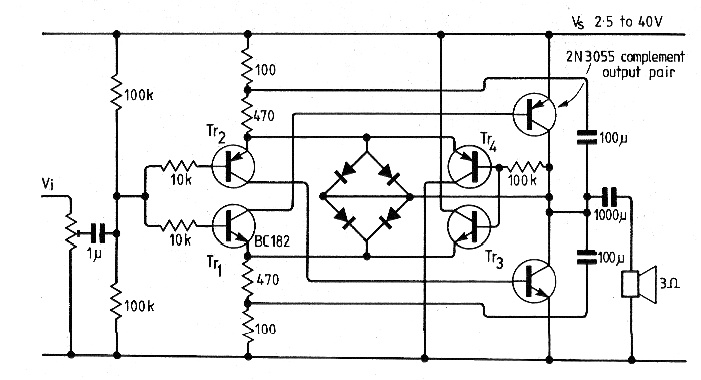
Este circuito fue encontrado en una revista Electronics World de 1990. El circuito se puede montar actualmente bastando sustituir TR2 por un BC557 y TR1 por un BC547. TR4 puede ser un BD136 y TR3 un BD135.Los diodos s] al de 2 A.
A falta de un circuito para amplificar las señales de un termopar en un control de temperatura u otra...
Este oscilador puede generar señales de 100 kHz hasta más de 50 MHz dependiendo del cristal usado y del...
El oscilador rectangular presentado en la figura hace uso de una de las cuatro puertas NAND de un...