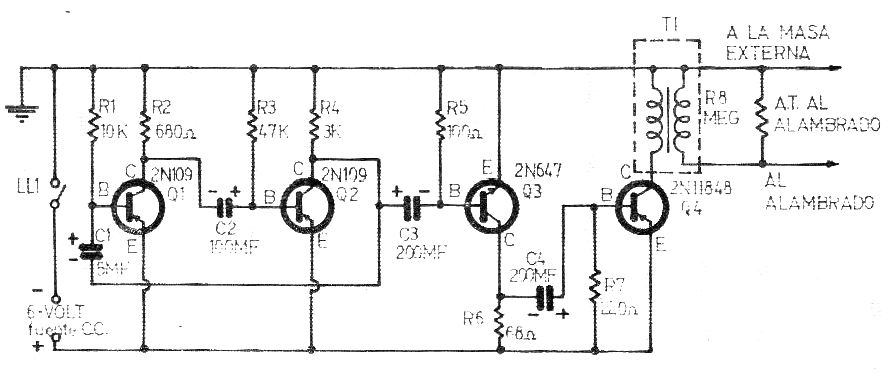
Este circuito fue encontrado en una revista Radio Escuela Gráfica de la Argentina publicada en la década del 70. La revista ya no existe, pero se puede montar el circuito utilizando una bobina de ignición y para los transistores tenemos los equivalentes como los BC558 paraQ1 y Q2, BD135 para Q3 y TIP42 para Q4. El circuito no debe ser alimentado por fuente sin transformador.




