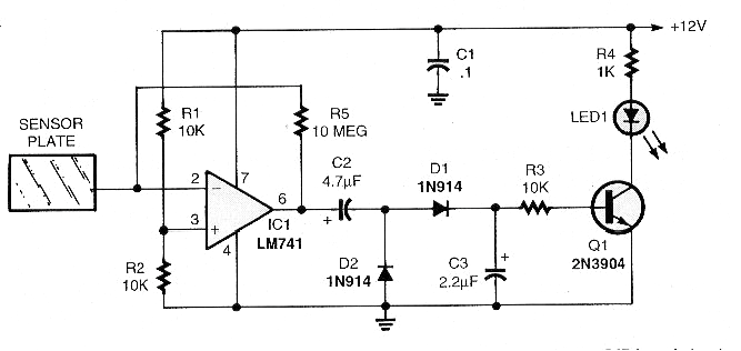
Este interesante circuito se obtuvo en un Poptronics de febrero de 2001. La revista americana ya no existe en su forma impresa, pero este circuito es todavía viable, pues utiliza componentes comunes .. El transistor puede ser el BC548 y en lugar del LED se puede controlar un relé. El circuito no debe ser alimentado por fuente sin transformador.

 


| Haga click en la imagen para ampliar |