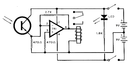
Este circuito salió en una revista americana que ya no existe. Se trata de la Electronic Experimenter's Handbook, edición de 1981. El circuito acciona un relé cuando la luz incide en un foto-transistor de cualquier tipo. El relé es del tipo muy sensible con corriente del orden de 10 mA. Para relés menos sensibles se debe utilizar un paso amplificador. El circuito debe ser alimentado por una fuente simétrica de 9 o de 6 V según el relé utilizado.




