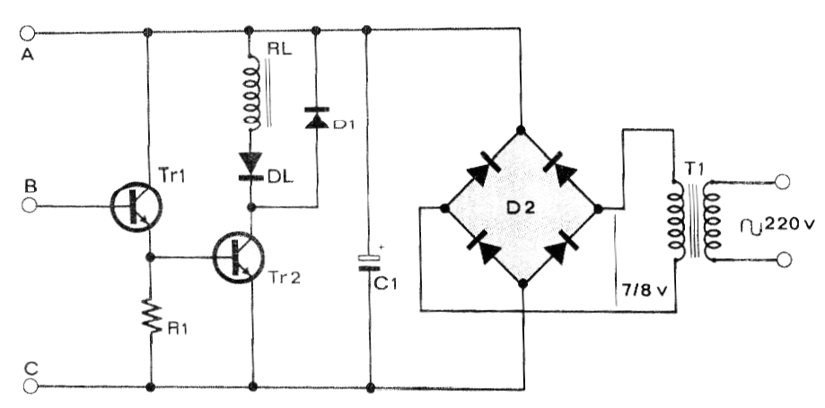
Encontramos este circuito en la revista italiana que ya no existe Radio Elettronica, edición de agosto de 1975. Se trata de un relé multiuso, con una etapa amplificadora transistorizada de alta sensibilidad. El circuito funciona con relés de 6 a 12 V y corrientes de 50 a 100 mA. Los transistores son BC548 R1 es de 3,3 k ohmios, C1 de 470 uF y el transformador tiene secundario de 7 a 8 V con 500 mA de corriente. Los diodos son todos 1N4002.




