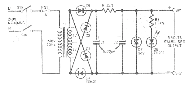
Este circuito se obtuvo en una revista inglesa de 1977. La revista ya no existe, pero el circuito se puede montar fácilmente. Esta fuente proporciona corrientes máximas del orden de 50 mA bajo tensión de 9 V. El transformador es de 3 + 3 V x 200 mA y los diodos pueden ser los 1N4002. El zener es de 1 W.




