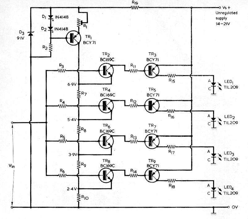
Este circuito fue encontrado en una revista inglesa Radio & Electronics Constructor de febrero de 1977. La revista ya no existe, pero el circuito puede ser montado con facilidad, cambiando los BC169 por BC548 y los BCY71 por BC558. Los demás componentes son comunes.




