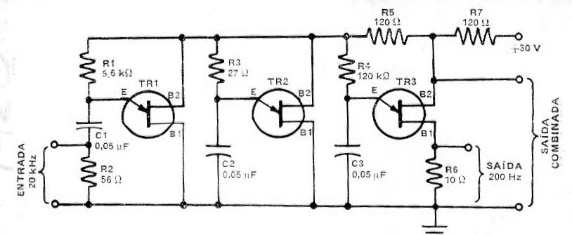
Este circuito fue obtenido en una revista de 1968. Los transistores unijuntura pueden ser los 2N2646. Una señal de 20 kHz se divide en 10, obteniendo en la salida una señal de 200 Hz. Para otros valores de frecuencia, los componentes deben ser alterados.




