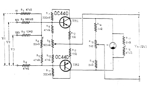
He encontrado este circuito en una revista de 1967. La revista ya no existe, pero el circuito puede ser montado tanto con transistores PNP de germanio como en el original, como incluso tipos de silicio como el BC558. La precisión depende de la tolerancia de los componentes de entrada.




