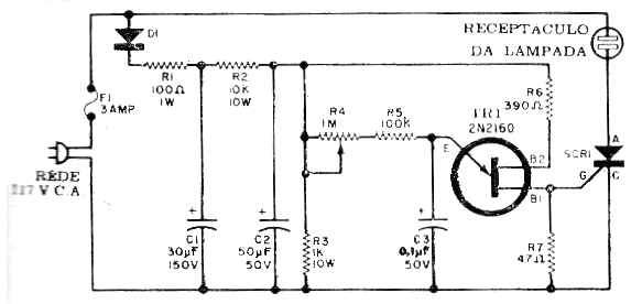
Este circuito fue obtenido en una revista de 1966 pero puede ser montado con facilidad utilizando el 2N2646 como unijunción, el SCR TIC106 y el diodo 1N4004 si la red es de 110 V o 1N4007 si la red es de 220 V. El circuito hace que una lámpara incandescente brilla como una vela.




