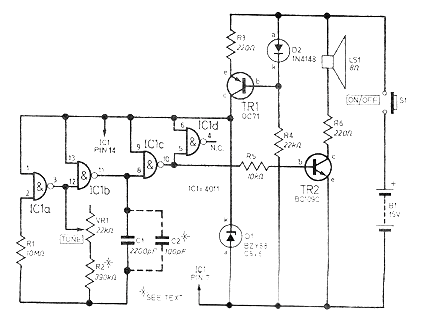
He encontrado este circuito en una revista inglesa de julio de 1982. El circuito todavía es viable bastando para utilizar para TR1 un BC558 y para TR2 un BC548 o BC549. El sonido del instrumento se obtiene modulando el circuito a través de P1 y apretando S1. El capacitor conectado con líneas punteadas es para obtener un timbre más grave.




