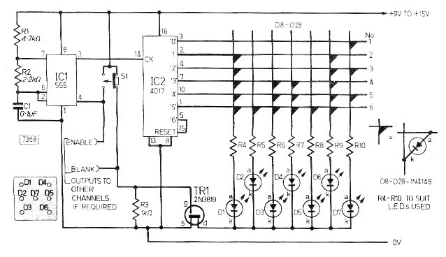
He encontrado este circuito en una revista inglesa de julio de 1982. El circuito sigue siendo viable porque todos los componentes todavía son comunes en nuestro mercado. Los diodos pueden ser de cualquier tipo de uso general y el FET un BF245. Observe la disposición de los LED para imitar la cara de un dado.




