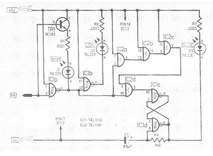
Encontramos este circuito en una revista inglesa de 1980. El circuito puede montarse con facilidad aún hoy, bastando usar un BC548 en lugar del único transistor indicado. Los demás componentes son comunes y el circuito es TTL, debiendo ser alimentado con 5 V del propio equipo en prueba.




