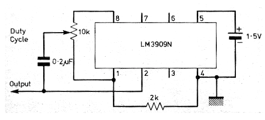
Este circuito se obtuvo en una práctica inalámbrica de 1978. Genera una señal rectangular de baja frecuencia y pequeña intensidad, pudiendo ser utilizado como un buen inyector de señales. El circuito es de ultra-bajo consumo, pudiendo ser alimentado por una sola pila durante meses.




