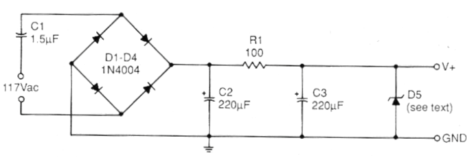
Encontramos este circuito en una Modern Electronics de enero de 1991. La revista ya no existe, pero la fuente puede ser montada con facilidad. C1 es de poliéster para 250 V o más y el zener de 12 V x 2 W. Pueden utilizarse zeners de 6 o 9 V si el lector desea esta tensión. R1 es de cable de 4 W. Precaución: el circuito no está aislado de la red de energía.




