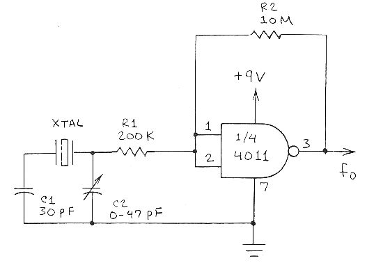
He encontrado este circuito em uma Modern Electronics de 1991. El circuito se puede montar com cristales de 100 kHz a 5 MHz e la tensión de alimentación se puede quedar entre 6 e 15 V.

He encontrado este circuito em uma Modern Electronics de 1991. El circuito se puede montar com cristales de 100 kHz a 5 MHz e la tensión de alimentación se puede quedar entre 6 e 15 V.
