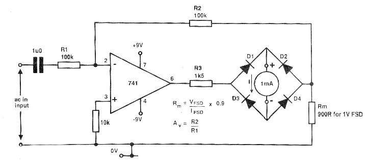
Este circuito se obtuvo en una revista inglesa de 1993, pero se puede montar fácilmente en nuestros días, ya que todos los componentes son comunes. En realidad, el operacional puede ser de tipos equivalentes. La fuente de alimentación debe ser simétrica de 6 a 12 V y los diodos pueden ser 1N4148 o equivalente. En este circuito la impedancia de entrada es independiente de la sensibilidad del instrumento.




