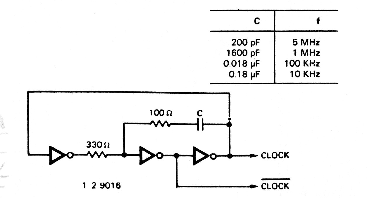
Este circuito fue obtenido en una documentación de los años 80. Sin embargo, por usar TTL es todavía moderno, pudiendo ser usado como Shields para microcontroladores o parte de proyectos digitales. La alimentación debe realizarse con 5 V.
Una lámpara neón polarizada cerca del punto de disparo se convierte en un sensible detector de...
Aumente la intensidad del sonido de su bocina piezoeléctrica con el circuito que presentamos. Este oscilador...
El circuito mostrado en la figura 1 proporciona una corriente constante (IL) para dos o más LEDs con...