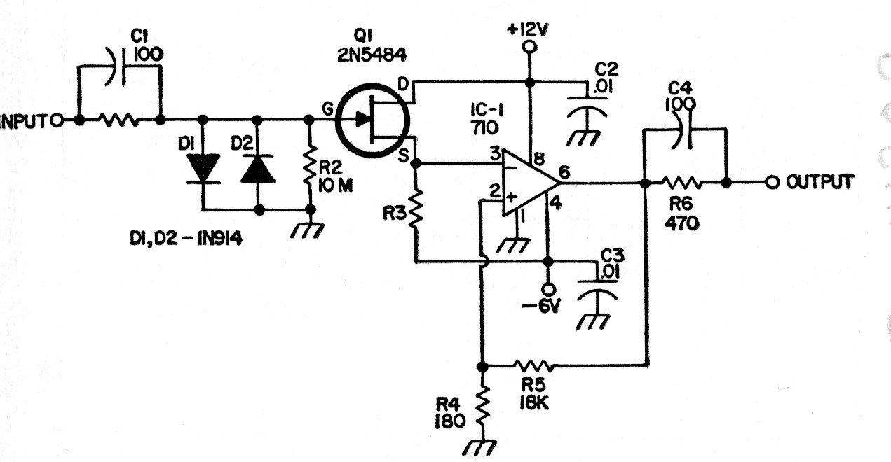
Este circuito se utiliza en frecuencímetros para aislar la salida. El circuito es de una documentación antigua. Se pueden utilizar amplificadores operacionales equivalentes.
Una lámpara neón polarizada cerca del punto de disparo se convierte en un sensible detector de...
Aumente la intensidad del sonido de su bocina piezoeléctrica con el circuito que presentamos. Este oscilador...
El circuito mostrado en la figura 1 proporciona una corriente constante (IL) para dos o más LEDs con...