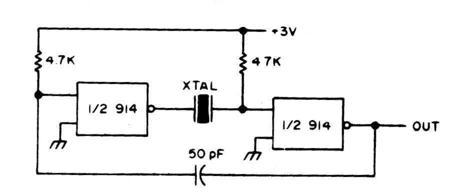
El circuito integrado utilizado en esta aplicación es poco común actualmente. El circuito es de una documentación americana de los años 80. Puede ser cambiado para utilizar componentes equivalentes más modernos.
Una lámpara neón polarizada cerca del punto de disparo se convierte en un sensible detector de...
Aumente la intensidad del sonido de su bocina piezoeléctrica con el circuito que presentamos. Este oscilador...
El circuito mostrado en la figura 1 proporciona una corriente constante (IL) para dos o más LEDs con...