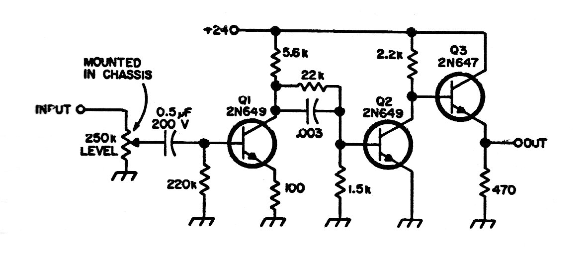
Este circuito mejora la forma de un pulso de entrada que suaviza para que sea más apropiado para la excitación de un circuito digital. Los transistores modernos de conmutación como los 2N2222 se pueden utilizar. El circuito es de una documentación antigua.




