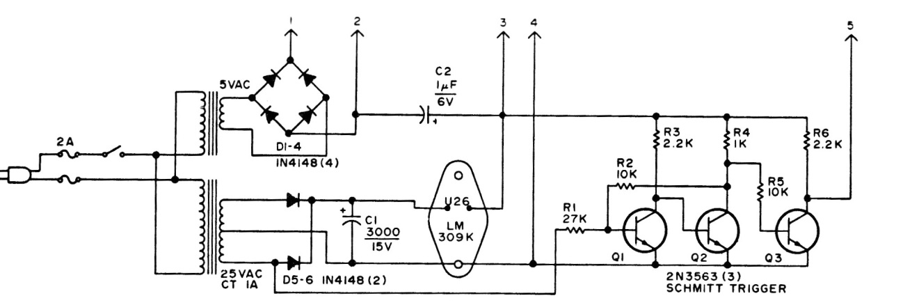
Esta fuente fue sugerida para la alimentación de un contador con válvulas tipo numitron, inusual actualmente. Observe el uso de dos transformadores. El regulador y los transistores deben montarse en disipadores de calor.
Encontramos este circuito en una documentación estadounidense de los años 80. El amplificador...
El circuito presentado se encontró en el Manual de Aplicaciones Lineales de National Semiconductor de 1994....
Este circuito se puede usar para generar señales de 300 kHz a 10 MHz, dependiendo del cristal...