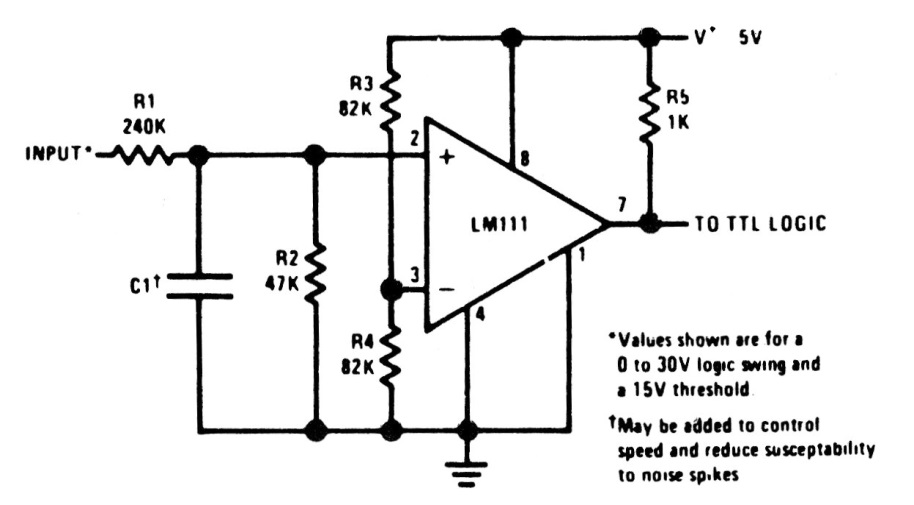
Este circuito es de una documentación antigua haciendo uso de un operacional que no es común en nuestros días. Sin embargo, la configuración puede adaptarse para funcionar con los operacionales modernos. La alimentación debe ser de 5 V.
Encontramos este circuito en una documentación estadounidense de los años 80. El amplificador...
El circuito presentado se encontró en el Manual de Aplicaciones Lineales de National Semiconductor de 1994....
Este circuito se puede usar para generar señales de 300 kHz a 10 MHz, dependiendo del cristal...